Impulsschweißzange Ersatzteile
HAWO Ersatzteile – Wo kann man Ersatzteile für die Hawo Impulsschweißzange HPL ISZ 300 / HPL ISZ 450 / HPL ISZ 630 online kaufen?
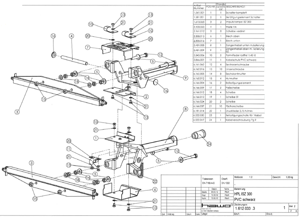
Hier finden Sie die gängigen Ersatz- bzw. Verschleißteile der Hawo HPL ISZ 300/450/630 zur selbstständigen Reparatur oder Wartung.
Alle Komponenten sind Original-Teile des Herstellers Hawo.
HAWO Reparatur-Dienst: Benötigt Ihre Folienschweißzange eine Wartung oder möchten Sie Ihr Gerät reparieren lassen? Dann senden Sie uns Ihr Folienschweißgerät einfach ein. Sie erhalten von uns umgehend einen Kostenvoranschlag. Nach Freigabe wird das Gerät instandgesetzt. Die Reparatur dauert nur wenige Tage.
Einsende-Adresse: Hagenauer+Denk KG, z.Hd. HAWO REPARATUR, Albert-Denk-Str. 2, 87509 Immenstadt.
Für weitere Ersatzteile kontaktieren Sie uns gerne über das Kontaktformular.

Explosionszeichnung Impulsschweißzange HPL ISZ 300

Explosionszeichnung Impulsschweißzange HPL ISZ 630


Sebastian Gropper
Verkauf - Verpackungsmaterial
Tel. +49 8323 96600

















